Текущее время: Ср окт 08, 2025 4:39 am

Часовой пояс: UTC + 3 часа




Начать новую тему Ответить на тему  [ Сообщений: 7 ] 
Автор Сообщение
 Заголовок сообщения: Датчик ДМРВ на 1CDFTV Распиновка.
СообщениеДобавлено: Пн фев 20, 2017 4:32 pm 
Не в сети

Зарегистрирован: Пн фев 20, 2017 4:21 pm
Сообщения: 5
Откуда: Север 11рус
День добрый. Авенсис 1999г Дизель 1CDFTV .
Были оборваны провода возле фишки датчика дмрв.
Провода восстановил , но похоже ошибся с распиновкой. Выскакивает ошибка по датчику.
Может у кого есть под рукой такая машинка, подскажите пожалуйста распиновку проводов подходящих к фишке датчика дмрв.


Вернуться к началу
 Профиль Отправить email  
 
 Заголовок сообщения: Re: Датчик ДМРВ на 1CDFTV Распиновка.
СообщениеДобавлено: Пн фев 20, 2017 6:14 pm 
Не в сети
Аватара пользователя

Зарегистрирован: Пн сен 09, 2013 4:25 pm
Сообщения: 135
Откуда: Белгород, 31
Имя: Андрей
Ramaik писал(а):
День добрый. Авенсис 1999г Дизель 1CDFTV .
Были оборваны провода возле фишки датчика дмрв.
Провода восстановил , но похоже ошибся с распиновкой. Выскакивает ошибка по датчику.
Может у кого есть под рукой такая машинка, подскажите пожалуйста распиновку проводов подходящих к фишке датчика дмрв.


Могу попробовать сфотографировать данный узел.

_________________
Avensis T22, d4d, 05.2000 г.в., серебристый хэтч, 438 тыс.км


Вернуться к началу
 Профиль Отправить email  
 
 Заголовок сообщения: Re: Датчик ДМРВ на 1CDFTV Распиновка.
СообщениеДобавлено: Пн фев 20, 2017 10:54 pm 
Не в сети

Зарегистрирован: Пн фев 20, 2017 4:21 pm
Сообщения: 5
Откуда: Север 11рус
Можно и фото. Нужно увидеть цвета проводов на разъеме.


Вернуться к началу
 Профиль Отправить email  
 
 Заголовок сообщения: Re: Датчик ДМРВ на 1CDFTV Распиновка.
СообщениеДобавлено: Вт фев 21, 2017 2:06 pm 
Не в сети
Аватара пользователя

Зарегистрирован: Пн сен 09, 2013 4:25 pm
Сообщения: 135
Откуда: Белгород, 31
Имя: Андрей
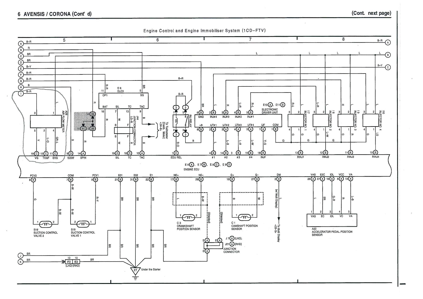
Сорри за качество! Ближе камеру подносишь - всё расплывается, отдаляешься - цветность теряется.
Фото1 - разъем на датчике, фото2 откинуто от датчика и фото3 - откинуто и перевернуто.
А с цветом там правда не всё хорошо; даже зрительно не дашь конечную оценку цвету и полоскам на проводе, не говоря уже про фото.
Одни, вроде как с черной полосой, другие - с серебристой.
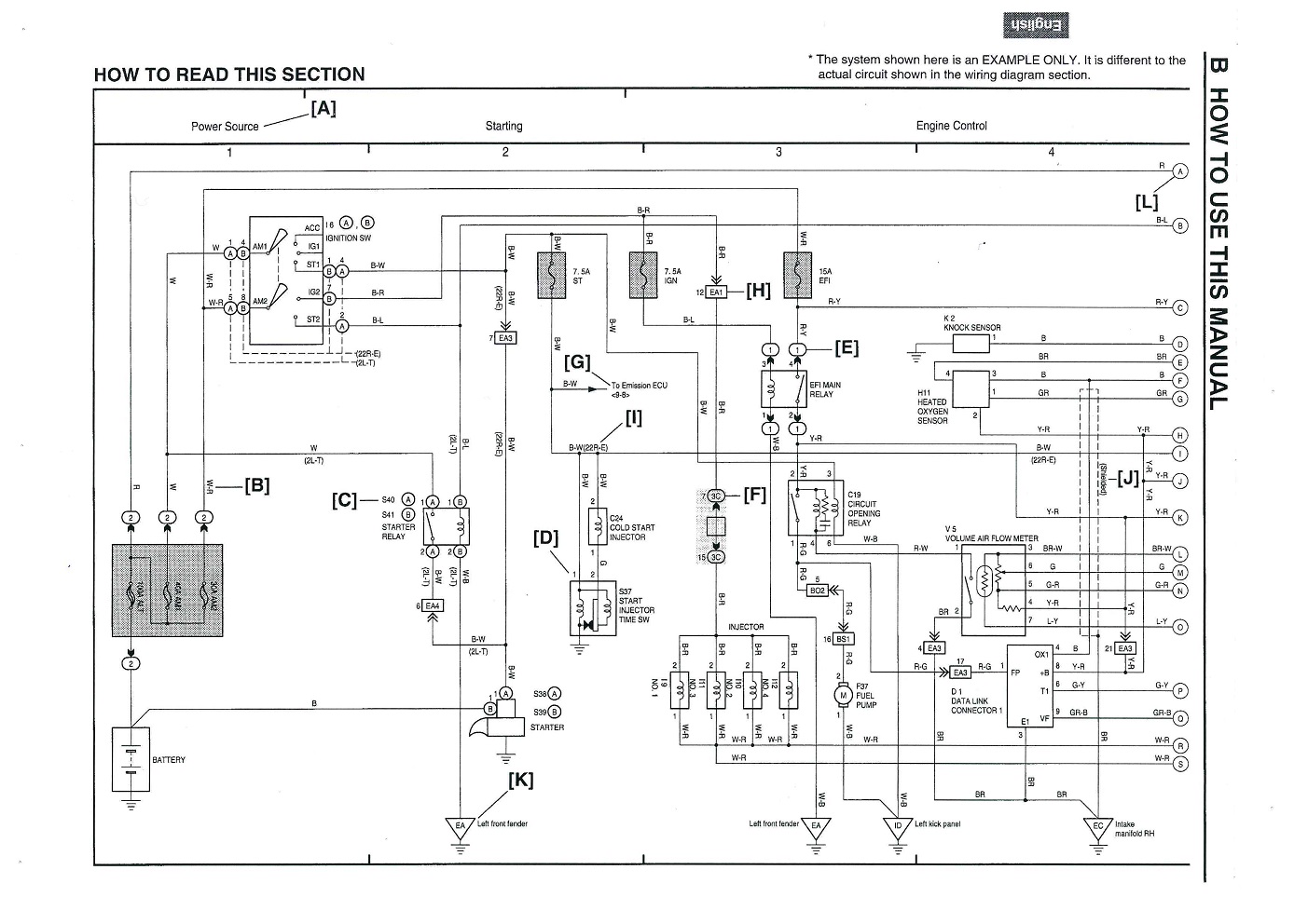
В схемах электрических ещё глянь!


Вложения:
3.jpg
3.jpg [ 92.69 KiB | Просмотров: 8280 ]
2.jpg
2.jpg [ 86.87 KiB | Просмотров: 8280 ]
1.jpg
1.jpg [ 81.38 KiB | Просмотров: 8280 ]

_________________
Avensis T22, d4d, 05.2000 г.в., серебристый хэтч, 438 тыс.км
Вернуться к началу
 Профиль Отправить email  
 
 Заголовок сообщения: Re: Датчик ДМРВ на 1CDFTV Распиновка.
СообщениеДобавлено: Вт фев 21, 2017 2:20 pm 
Не в сети
Аватара пользователя

Зарегистрирован: Пн сен 09, 2013 4:25 pm
Сообщения: 135
Откуда: Белгород, 31
Имя: Андрей
Ramaik писал(а):
Можно и фото. Нужно увидеть цвета проводов на разъеме.


Дополняю ещё инфой
Интересующее тебя обведено карандашом


Вложения:
.jpg
.jpg [ 353.41 KiB | Просмотров: 8279 ]
.jpg
.jpg [ 284.06 KiB | Просмотров: 8279 ]
.jpg
.jpg [ 275.63 KiB | Просмотров: 8279 ]
.jpg
.jpg [ 277.48 KiB | Просмотров: 8279 ]

_________________
Avensis T22, d4d, 05.2000 г.в., серебристый хэтч, 438 тыс.км
Вернуться к началу
 Профиль Отправить email  
 
 Заголовок сообщения: Re: Датчик ДМРВ на 1CDFTV Распиновка.
СообщениеДобавлено: Чт фев 23, 2017 8:39 pm 
Не в сети

Зарегистрирован: Пн фев 20, 2017 4:21 pm
Сообщения: 5
Откуда: Север 11рус
Благодарю. Буду проверять.


Вернуться к началу
 Профиль Отправить email  
 
 Заголовок сообщения: Re: Датчик ДМРВ на 1CDFTV Распиновка.
СообщениеДобавлено: Чт мар 02, 2017 9:59 am 
Не в сети
Аватара пользователя

Зарегистрирован: Пн сен 09, 2013 4:25 pm
Сообщения: 135
Откуда: Белгород, 31
Имя: Андрей
Ramaik писал(а):
Благодарю. Буду проверять.


Как успехи?

_________________
Avensis T22, d4d, 05.2000 г.в., серебристый хэтч, 438 тыс.км


Вернуться к началу
 Профиль Отправить email  
 
Показать сообщения за:  Поле сортировки  
Начать новую тему Ответить на тему  [ Сообщений: 7 ] 

Часовой пояс: UTC + 3 часа


Кто сейчас на конференции

Сейчас этот форум просматривают: нет зарегистрированных пользователей и гости: 0


Вы не можете начинать темы
Вы не можете отвечать на сообщения
Вы не можете редактировать свои сообщения
Вы не можете удалять свои сообщения
Вы не можете добавлять вложения

Найти:
Перейти:  
cron
Powered by phpBB © 2000, 2002, 2005, 2007 phpBB Group
Русская поддержка phpBB
[ Time : 0.055s | 32 Queries | GZIP : Off ]
./cache/ is NOT writable.