Текущее время: Пн дек 15, 2025 8:31 pm

Часовой пояс: UTC + 3 часа




Начать новую тему Ответить на тему  [ Сообщений: 335 ]  На страницу Пред.  1 ... 12, 13, 14, 15, 16, 17, 18 ... 23  След.
Автор Сообщение
 Заголовок сообщения: Re: ЧАТ форума
СообщениеДобавлено: Пн ноя 02, 2015 5:36 pm 
Не в сети

Зарегистрирован: Вт фев 18, 2014 9:18 pm
Сообщения: 855
млин,а что за сайт магазин юлсун???(там кто-то указал) экзист,автодок,емекс знаю....юлсун не знаю.....там цены сильно отличаются ,правда я без регистрации смотрел,кто что может подсказать ?

_________________
2.0


Вернуться к началу
 Профиль  
 
 Заголовок сообщения: Re: ЧАТ форума
СообщениеДобавлено: Вт ноя 03, 2015 11:02 am 
Не в сети

Зарегистрирован: Чт дек 29, 2011 2:26 am
Сообщения: 1217
Откуда: Мурманская область
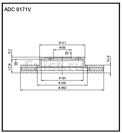
Ребят, подскажите какой диаметр переднего диска должен быть. А то я чего то запутался. Одни 276 другие 260. Сейчас в Питере нахожусь. Нашел сайт, там куча дисков и больно дешево по 600 руб. А завтра уезжаю уже. Хотелось бы решить этот вопрос.


Вложения:
img.png
img.png [ 15.2 KiB | Просмотров: 176997 ]
img.jpg
img.jpg [ 32 KiB | Просмотров: 176997 ]

_________________
Avensis 2002, 3ZZ-FE,1,6 МКПП, Серебристый седан, 51 регион
Замена 3ZZ на Короловский с пробегом 27000
Вернуться к началу
 Профиль Отправить email  
 
 Заголовок сообщения: Re: ЧАТ форума
СообщениеДобавлено: Вт ноя 03, 2015 1:09 pm 
Не в сети

Зарегистрирован: Вт фев 09, 2010 10:59 am
Сообщения: 113
Откуда: Могилев
Имя: Виталий
Если сзади дисковые тормоза то 276, если барабаны то 260

_________________
Avensis 2.0TD (2С-ТЕ) 98г. линия SOL седан 406+ бордовый металлик


Вернуться к началу
 Профиль Отправить email  
 
 Заголовок сообщения: Re: ЧАТ форума
СообщениеДобавлено: Вт ноя 03, 2015 8:13 pm 
Не в сети

Зарегистрирован: Чт дек 29, 2011 2:26 am
Сообщения: 1217
Откуда: Мурманская область
понял. Спасибо.

_________________
Avensis 2002, 3ZZ-FE,1,6 МКПП, Серебристый седан, 51 регион
Замена 3ZZ на Короловский с пробегом 27000


Вернуться к началу
 Профиль Отправить email  
 
 Заголовок сообщения: Re: ЧАТ форума
СообщениеДобавлено: Вт ноя 03, 2015 8:38 pm 
Не в сети

Зарегистрирован: Ср мар 16, 2011 8:09 pm
Сообщения: 759
Откуда: Златоуст 74, Челябинская обл.
Имя: Костенька
Изображение

_________________
Avensis 2000, 3S-FE, АКПП,Sol, Зелёнокожистый седан, 300+??? тыс.км.


Вернуться к началу
 Профиль Отправить email  
 
 Заголовок сообщения: Re: ЧАТ форума
СообщениеДобавлено: Пт ноя 06, 2015 12:06 am 
Не в сети

Зарегистрирован: Чт дек 29, 2011 2:26 am
Сообщения: 1217
Откуда: Мурманская область
Спасибо всем откликнувшимся. Возник еще один вопрос. У знакомого такой же авенсис как у меня. На кромке лобового стекла хорошая ржавчина. Хочет сделать, но ему сказали, что лучше будет заменить крышу полностью. Вопрос такой: с какого авенсиса подойдет крыша (рестайл, дорестайл, по объему движка у всех ли кузов одинаков).
П,СИ.: вопрос стоит только о седанах.

_________________
Avensis 2002, 3ZZ-FE,1,6 МКПП, Серебристый седан, 51 регион
Замена 3ZZ на Короловский с пробегом 27000


Вернуться к началу
 Профиль Отправить email  
 
 Заголовок сообщения: Re: ЧАТ форума
СообщениеДобавлено: Пт ноя 06, 2015 9:06 am 
Не в сети

Зарегистрирован: Пн июл 22, 2013 7:20 am
Сообщения: 77
Откуда: Гатчина 47
Крышу менять бред, лучше востановление

_________________
Avensis 1998 3S-FE ATM ST220L-AWPEKW SOL


Вернуться к началу
 Профиль Отправить email  
 
 Заголовок сообщения: Re: ЧАТ форума
СообщениеДобавлено: Пт ноя 06, 2015 11:32 am 
Не в сети

Зарегистрирован: Чт дек 29, 2011 2:26 am
Сообщения: 1217
Откуда: Мурманская область
Я так понял, сейчас люди (ремонтники) не особо хотят заморачиватся с ремонтом. Проще новое воткнуть и все. Работы меньше, затрат тоже. Кризис. :oops:

_________________
Avensis 2002, 3ZZ-FE,1,6 МКПП, Серебристый седан, 51 регион
Замена 3ZZ на Короловский с пробегом 27000


Вернуться к началу
 Профиль Отправить email  
 
 Заголовок сообщения: Re: ЧАТ форума
СообщениеДобавлено: Пт ноя 06, 2015 12:01 pm 
Не в сети

Зарегистрирован: Вт фев 18, 2014 9:18 pm
Сообщения: 855
Сонкэй писал(а):
Крышу менять бред, лучше востановление

ну не знаю ,я купил верхнюю часть рамки и двадцать сантиметров крыши,до этого пробовал рамку восстановить ,но вся ржавчина опять вылезла ,так что буду менять рамку ,а всю крышу наверное бред,можно аккуратно вварить и часть.

_________________
2.0


Вернуться к началу
 Профиль  
 
 Заголовок сообщения: Re: ЧАТ форума
СообщениеДобавлено: Пт ноя 06, 2015 12:21 pm 
Не в сети

Зарегистрирован: Пн июл 22, 2013 7:20 am
Сообщения: 77
Откуда: Гатчина 47
denikin писал(а):
Сонкэй писал(а):
Крышу менять бред, лучше востановление

ну не знаю ,я купил верхнюю часть рамки и двадцать сантиметров крыши,до этого пробовал рамку восстановить ,но вся ржавчина опять вылезла ,так что буду менять рамку ,а всю крышу наверное бред,можно аккуратно вварить и часть.

Вот там где будет шов опять и вылезет РЖА .У меня кузов состояние на троечку ,я либо алюминий на заклёпки или эпоксидка ,сейчас эксперементирую с цинкованием

_________________
Avensis 1998 3S-FE ATM ST220L-AWPEKW SOL


Вернуться к началу
 Профиль Отправить email  
 
 Заголовок сообщения: Re: ЧАТ форума
СообщениеДобавлено: Пт ноя 06, 2015 3:33 pm 
Не в сети
Аватара пользователя

Зарегистрирован: Сб июн 16, 2012 5:07 pm
Сообщения: 2131
Откуда: москва 77
Имя: Андрей
Я убирал ржу на кромке крыши возле лобовухи на двух авенсисах на одном вообще на сквозь гнилое было сделал человек ездить уже 2й год все нормально

_________________
серебристый седан 3s-fe автомат 125 японских коней
группа авенсисоводов в контакте http://vk.com/avensist22
запчасти на авенсис 890396178 пять семь


Вернуться к началу
 Профиль  
 
 Заголовок сообщения: Re: ЧАТ форума
СообщениеДобавлено: Пт ноя 06, 2015 5:18 pm 
Не в сети

Зарегистрирован: Вт фев 18, 2014 9:18 pm
Сообщения: 855
avensisovodila писал(а):
Я убирал ржу на кромке крыши возле лобовухи на двух авенсисах на одном вообще на сквозь гнилое было сделал человек ездить уже 2й год все нормально

андрей,тоже клепал с обшивки самолёта ,да ?))) у меня сантиметров двадцать полка сгнила ,стекло в воздухе держалось, сейчас временно на серпянке с пластиполом,ну просто нету её да и всё,а так тут мы эту темку обсуждали давиче ,даже с фотографиями.

_________________
2.0


Вернуться к началу
 Профиль  
 
 Заголовок сообщения: Re: ЧАТ форума
СообщениеДобавлено: Пт ноя 06, 2015 7:20 pm 
Не в сети

Зарегистрирован: Чт дек 29, 2011 2:26 am
Сообщения: 1217
Откуда: Мурманская область
Кто как делает. А что по взаимозаменяемости криши?

_________________
Avensis 2002, 3ZZ-FE,1,6 МКПП, Серебристый седан, 51 регион
Замена 3ZZ на Короловский с пробегом 27000


Вернуться к началу
 Профиль Отправить email  
 
 Заголовок сообщения: Re: ЧАТ форума
СообщениеДобавлено: Пт ноя 06, 2015 11:25 pm 
Не в сети
Аватара пользователя

Зарегистрирован: Сб июн 16, 2012 5:07 pm
Сообщения: 2131
Откуда: москва 77
Имя: Андрей
Не кто не ставил передние тормозные диски от 25го авенсиса ? По параметрам вроде такие же как и на наших рестайлах но говорят что не подходят они к нам вот интересно почему

_________________
серебристый седан 3s-fe автомат 125 японских коней
группа авенсисоводов в контакте http://vk.com/avensist22
запчасти на авенсис 890396178 пять семь


Вернуться к началу
 Профиль  
 
 Заголовок сообщения: Re: ЧАТ форума
СообщениеДобавлено: Сб ноя 07, 2015 2:51 am 
Не в сети

Зарегистрирован: Чт дек 29, 2011 2:26 am
Сообщения: 1217
Откуда: Мурманская область
Ну так что, никто ничего не может сказать по поводу крыши?

_________________
Avensis 2002, 3ZZ-FE,1,6 МКПП, Серебристый седан, 51 регион
Замена 3ZZ на Короловский с пробегом 27000


Вернуться к началу
 Профиль Отправить email  
 
Показать сообщения за:  Поле сортировки  
Начать новую тему Ответить на тему  [ Сообщений: 335 ]  На страницу Пред.  1 ... 12, 13, 14, 15, 16, 17, 18 ... 23  След.

Часовой пояс: UTC + 3 часа


Кто сейчас на конференции

Сейчас этот форум просматривают: нет зарегистрированных пользователей и гости: 0


Вы не можете начинать темы
Вы не можете отвечать на сообщения
Вы не можете редактировать свои сообщения
Вы не можете удалять свои сообщения
Вы не можете добавлять вложения

Найти:
Перейти:  
Powered by phpBB © 2000, 2002, 2005, 2007 phpBB Group
Русская поддержка phpBB
[ Time : 0.032s | 33 Queries | GZIP : Off ]
./cache/ is NOT writable.